Ticker

6/recent/ticker-posts

Advertisement

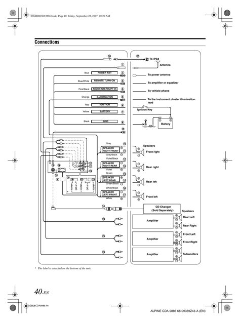
eBook Alpine Cda 9883 Wiring Diagram Manual

Presently you are looking for an Alpine Cda 9883 Wiring Diagram Manual example of which we provide here in some form of document formats like as PDF, Doc, Strength Point, as well as images of which will make it simpler for you to create an Alpine Cda 9883 Wiring Diagram Manual yourself. For a more clear look, you can open several examples below. Each of the examples about Alpine Cda 9883 Wiring Diagram Manual with this web site, we get from many sources so you can create a better record of your own.

If the search you obtain here does not complement what you are looking for, please use the lookup feature that we possess provided here. You are usually free to download anything at all that we provide in this article, expense cost you typically the slightest.

DOWNLOAD HERE

Everyone knows that reading Alpine Cda 9883 Wiring Diagram Manual is beneficial, because we can easily get too much info online in the resources. Technologies have developed, and reading Alpine Cda 9883 Wiring Diagram Manual books could be easier and simpler. We could read books on our mobile, tablets and Kindle, etc. Hence, there are many books entering PDF format.

Several websites for downloading free PDF books where you can acquire all the knowledge as you would like. Today everybody, young and aged, should familiarize themselves together with the growing eBook industry. Ebooks and eBook visitors provide substantial benefits over traditional reading. Ebooks reduce down on the use of paper, as advocated by environmental enthusiasts. Presently there are no fixed timings for study. There will be no question of waiting-time for new editions. Presently there is no transportation to be able to the eBook shop. Typically the books in a eBook go shopping can be downloaded immediately, sometimes for free, occasionally to get a fee.

Not just that, the online variation of books are generally less expensive, because publication houses save their print in addition to paper machinery, the advantages of which are passed on to customers. Further, typically the reach of the e-book shop is immense, allowing an individual living in Sydney to source out to be able to a publication house in Chicago. The newest trend in the online e-book world is exactly what are referred to as eBook libraries, or e-book packages. An eBook package deal is something out of the ordinary. This consists of a huge number of ebooks bundled together that are not easily obtainable at one individual place. So instead of hunting down and purchasing, say 100 literary timeless classics, you can purchase an eBook package deal which contains all these ebooks bundled together. These eBook libraries typically provide a substantial savings, in addition to are usually offered in a number of formats to suit your brand of electronic reading device. Large companies, such since Amazon or Barnes and Noble, tend to not carry these eBook libraries. If you want to be able to purchase one of these libraries, you will have to be able to search out independent eBook outlets. These independent eBook outlets typically package the e-book libraries by genre, in addition to have a wide selection of genres.